一、防爆气动球阀-概述
防爆气动球阀适用于Class150~Class1500、PN16~PN100、JIS 10K~JIS 20K的各种管路上,用于截断或接通管路中的介质,选用不同的材质,可分别适用于水、蒸汽、油品、硝酸、醋酸、氧化性介质、尿素等多种介质。本产品可广泛应用于造纸、石化、化工、冶金、电力、环保、石油、轻工等工业部门的自动化控制系统中。
二、防爆气动球阀-特点
1、防爆气动球阀主要结构由气动执行器和阀门连接,安装防爆电磁换向阀,电压AC220V或AC380V,接上5kgf/cm²左右压力的气源即可控制阀门,适用于易燃易爆场合。
2、我公司引进欧洲技术开发生产的浮动球阀,是所有阀类中流阻最小的一种,开关迅速方便,只要球体转动90°就完成了全开或全关动作,实现快速启闭。
3、双向密封,密封性能好。阀座采用聚四氟乙烯材料。由于浮动球阀的球体是浮动的,在介质压力作用下,球体能向出口端方向产生一定的位移并紧压在出口端的密封面上,而且密封力随着介质压力的增加而增大。阀杆采用防吹出和防静电结构设计。
3、上法兰采用ISO5211执行机构安装平台。方便安装电动、气动执行器,节省安装空间。
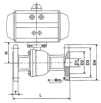
结构示意图
三、防爆气动球阀-技术参数
公称通径:DN15-250(mm)
公称压力:1.6-6.4MPa
连接方式:法兰
阀体材料:WCB、CF8、CF8M
球体材料:2Cr13、CF8、CF8 M
阀 座:PTFE、PPL、2C13+渗氮
设计标准:GB/T12237—1989
连接法兰:JB/T79-94;GB/T17241.6-1998
试验标准:GB/T13927—1992
防爆气动球阀安装执行器及附件
气动执行器、防爆电磁换向阀、防爆限位开关、手操机构
防爆气动球阀适用介质易燃易爆的气体、液体、粉尘等介质。
四、防爆气动球阀-主要尺寸 单位:mm
产品型号
通径
DN
L
H
1.6MPa
2.5MPa
气动执行器选配
(双作用,气源5bar)
有手轮
无手轮
D
D1
n-d
Q641F
15
130
188
106
95
65
4-14
G52
A32
20
140
195
113
105
75
A52
25
150
198
116
115
85
G63
A63
32
165
226
144
135
100
4-18
40
180
240
158
145
110
G83
A83
50
200
246
164
160
125
G92
A92
220
276
185
8-18
G105
A105
80
250
302
214
280
323
235
215
190
8-23
G125
A125
Q641F-
320
365
270
245
210
8-25
G160
A160
360
387
292
300
G190
A190
400
507
390
340
295
12-23
310
12-25
G210
A210
450
552
410
405
355
425
370
12-30
G240
A240
五、、防爆气动球阀型号编制说明
Q
6
4
1
F
-10
C
阀门代号
执行机构
连接形式
结构形式
密封材质
公称压力
阀体材质
Q:球阀
3:涡轮
1:螺纹
1:直通浮动
F:四氟
10:1.0MPa
C:碳钢
VQ:V型球阀
6:气动
4:法兰
4:L型三通
F46:全衬
16:1.6MPa
P:304
9:电动
7:对夹
5:T型三通
H:合金
25:2.5MPa
R:316
无:手柄
7:固定式
Y:硬质合金
40:4.0MPa
RL:316L
友情链接: 电缆故障测试仪 电缆故障测试仪 超声波水表 电子万能试验机 热油泵 臭气处理设备 上海仪表公司 冷热冲击试验机 管式炉 滴灌管 等离子清洗机 上海自动化仪表四厂 veneer stitching machine Lacquer sanding machine Brush sanding machine
浙公网安备 33032402001914号