一、电动塑料蝶阀-产品概述
电动塑料蝶阀(简称:电动UPVC蝶阀)采用精小型电动执行机构和塑料蝶阀组装而成。电压一般有:AC220V / AC380V /DC 24V三种可选择。输入信号:(4~20mADC或1~5VDC)既可运转。电动塑料蝶阀(PVC电动蝶阀)重量轻、耐腐蚀性强,被应用于多个领域,如一般纯水和生饮水的管路系统、排水和污水管路系统、盐水和海水管路系统、酸碱和化学溶液系统等多个行业,品质得到广大用户的认可。
二、电动塑料蝶阀(PVC电动蝶阀)-特点如下:
1、外型结构紧凑美观。
2、本体重量轻容易安装。
3、耐腐蚀性强,应用范围广。
4、材质卫生无毒。
5、耐磨损、容易拆卸,维护简单易行。
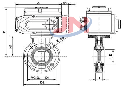
三、电动塑料蝶阀-示意图
四、电动塑料蝶阀-主要技术参数
● 阀体
阀体形式:直通式阀体
公称通径:DN50~500mm
公称压力:PN1.0、1.0MPa
连接形式:法兰式 \ 对夹式
密封材质:FPM、EPDM、NBR
适用温度:0~+60℃
阀体材质:UPVC、CPVC、FRPP、PPH、PVDF
阀芯材质:UPVC、CPVC、PP、PTFE
适用介质:水、油、气、若酸碱、化工等民用。[1]
● 阀内件
阀板形式:蝶形(垂直板式)
流量特性:线性
● 执行机构
执行器型号:SZ、381R、TQ
主要技术参数:电源电压:220V/50Hz、380V/50Hz、输入信号:4-20mA或1-5V·DC、输出信号:4-20mA·DC
防护等级:相当IP67、隔爆标志:ExdⅡBT4、手操功能:手柄、手轮
环境温度:-25~+70℃、环境湿度:≤95%
五、电动塑料蝶阀-安装注意事项
电动塑料蝶阀具有机内伺服操作和开度信号位置反馈、位置指示、手动操作等功能,功能强、性能可靠、连线简单。电动塑料蝶阀安装前应完成以下工作:
1、仔细核对电动塑料蝶阀使用情况是否与其性能规范相符;(温度、压力)
2、开箱后阀门要及时安装,请勿随意松动阀门上的任何紧固螺钉或螺母;
3、电动塑料蝶阀在安装之前,最好处于关闭状态为宜,焊接时应将阀门通道用盖板挡住;防止颗粒、杂物搓伤密封面。
4、多层次金属硬密封电动蝶阀、铸钢软密封电动蝶阀配标准法兰,DN200口径以上中线软密封对夹式电动蝶阀必须配专用法兰;
5、安装、调试人员要仔细阅读使用说明书和气动、电动执行器等说明书,严格按说明书、接线图进行安装、操作、调试及接线;
6、用户要求试压时,务必用两端法兰对夹装好或在阀门试压台试压;
7、检查电动塑料蝶阀通道及密封面是否有杂物,并及时清除
友情链接: 电缆故障测试仪 电缆故障测试仪 超声波水表 电子万能试验机 热油泵 臭气处理设备 上海仪表公司 冷热冲击试验机 管式炉 滴灌管 等离子清洗机 上海自动化仪表四厂 veneer stitching machine Lacquer sanding machine Brush sanding machine
浙公网安备 33032402001914号