一、电动硬密封蝶阀-产品介绍
D943H电动法兰硬密封蝶阀采用精密的J形弹性密封圈和三偏心多层次金属硬密封结构,被广泛用于介质温度≤425℃的治金 、电力、石油化工、以及给排水和市政建设等工业管道上,作调节流量和载断流体使用。该阀采用三偏心结构,阀座与碟板密封面均采用不同硬度和不锈钢制作,具有良好的耐腐蚀性,使用寿命长,本阀均有双向密封功能,产品符合国家GB/T13927-92阀门压力试验标准。
二、电动硬密封蝶阀-特点 1.本阀采用三偏心密封结构,阀座与蝶板几乎无磨损,具有越观越紧的密封功能。 2.密封圈选用不锈钢制作,具有金属硬密封和弹性密封的双重优点,无论在低温和高温的情况下,均具有优良的密封性能,具有耐腐蚀,使用寿命长等特点。 3.碟板密封面采用堆焊钴基硬质合金,密封面耐磨损,使用寿命长. 4.大规格蝶板采用绗架结构,强度高,过流面积大,流阻小。 5.本阀具有双向密封功能,安装时不受介质流向的限制,也不受空间位置的影响,可在任何方向安装。 6.驱动装置可以多工位(旋转90°或180°)安装,便于用户使用。
三、电动硬密封蝶阀-技术参数
公称通经DN(mm)
50~2000
公称药理PN(MPa)
0.6
1.0
1.6
2.5
密封试验(MPa)
0.66
1.1
1.76
2.75
强度试验(MPa)
0.9
1.5
2.4
3.75
适用温度
碳钢:-29℃~425℃ 不锈钢:-40℃~650℃
适用介质
水、空气、天然气、油品及弱腐蚀性流体
泄漏率
符合GB/T13927-92标准
驱动方式
蜗轮传动、电动、气动、液动
四、电动硬密封蝶阀-零件材料
零件名称
材料
阀体
WCB、合金钢、不锈钢、QT450-10
蝶板
阀轴
2Cr13不锈钢、合金钢
密封圈
不锈钢圈
填料
柔性石墨
五、电动硬密封蝶阀-执行标准
制造标准
JB/T 8527-97
法兰标准
GB9113-2000
结构长度标准
GB12221-89
检验标准
GB/T 13927-92
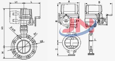
电动硬密封蝶阀-外形尺寸
公称通经(DN)
主要尺寸
法兰尺寸和螺栓规格
1.0MPa
1.6MPa
2.5MPa
L
H1
H
D
D1
n-Фd
50
108
530
112
165
125
4-18
65
115
185
145
8-18
80
114
565
120
200
160
100
127
600
138
220
180
235
190
8-22
140
640
164
250
210
270
8-26
150
705
175
285
240
300
152
775
340
295
12-22
360
310
12-26
945
243
395
350
405
355
425
370
12-30
178
1070
445
400
460
410
485
430
16-30
1140
280
505
16-22
520
470
555
490
16-33
216
1210
305
515
16-26
580
525
620
550
16-36
450
222
1335
615
20-26
585
670
20-36
500
229
1415
380
715
650
20-30
730
660
267
1605
780
725
840
770
20-33
845
20-39
700
292
1844
480
895
24-30
910
24-36
960
875
24-42
800
318
2040
1015
950
24-33
1025
24-39
1085
990
24-48
900
330
2255
1115
1050
28-33
1125
28-39
1185
1090
28-48
1000
2380
1230
1160
28-36
1255
1170
28-42
1320
28-56
1200
2640
760
1455
1380
32-39
1485
1390
32-48
1530
1420
32-56
1400
2886
850
1675
1590
36-42
1685
36-48
1755
1640
36-62
1600
3156
1030
1915
1820
40-48
1930
40-56
1975
1860
40-62
1800
3421
2115
2020
44-48
2130
44-56
2195
2070
44-70
2000
3685
1350
2325
2230
48-48
2345
48-62
2425
2300
48-70
友情链接: 电缆故障测试仪 电缆故障测试仪 超声波水表 电子万能试验机 热油泵 臭气处理设备 上海仪表公司 冷热冲击试验机 管式炉 滴灌管 等离子清洗机 上海自动化仪表四厂 veneer stitching machine Lacquer sanding machine Brush sanding machine
浙公网安备 33032402001914号